Menu
English
Home
Products
About Us
About Us
Company
Certifications
OEM&ODM
Support
Support
Tax and Duty Guide
Transportation Guide
XCMG Technical Data
Resource
Resource
Download
FAQ
News
News
Company News
Industry News
Contact Us
XCMGData
You are here:
Home
»
Support
»
XCMGData
XCMG Technical Data
XCMG Technical Data
XCMG Loader Technical Data
XC958 Data
News and Events
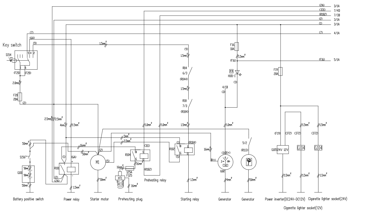
XCMG XC958 Electric Schematics
Electric schematics Figure1Electric schematic Ⅰ
XCMG Wheel Loader XC958 Overall Dimensions And Specifications
XCMG Wheel Loader XC958 Overall Dimensions And Specifications
Subscribe to Our Newsletter
get ready for the future
sign up for our newsletter to get updates straight to your inbox
Submit
QUICK LINK
Home
Products
About Us
OEM&ODM
News
Contact Us
Download
Tax and Duty Guide
PRODUCT CATEGORY
Wheel Loader Parts
Road Roller Parts
Motor Grader Parts
Excavator Parts
Crane Parts
Sinotruck Parts
Diesel Engine Parts
Electrical Parts
Transmission Parts
Used Machines
CONTACT US
Gulou District, Xuzhou city, Jiangsu province
+86-18622366904
findurparts@outlook.com
徐州芬丹机械设备进出口有限公司
SOCIAL NETWORKS
findurparts@outlook.com
+86-18622366904
Whatsapp