Views: 0 Author: Site Editor Publish Time: 2026-04-24 Origin: Site
Electric schematics
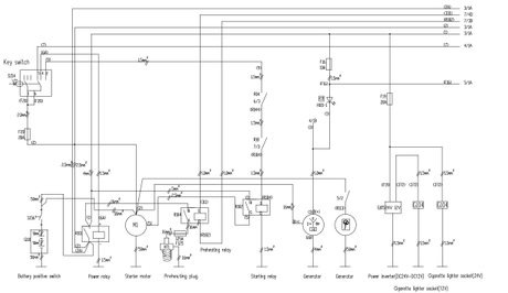
Figure1Electric schematic Ⅰ |
Table1
Symbol | Description |
S156 | Battery Positive Switch |
G101 | Battery |
R101 | Power relay |
M1 | Starter motor |
HT1 | Preheating plug |
R104 | Preheating Relay |
R102 | Starting Relay |
G102 | Generator |
G105 | Power inverter(24V/12V) |
G104 | Cigarette Lighter Socket(24V/12V) |
H101-1 | Charging indicator |
S154 | Key Switch |
Figure2Electric schematic Ⅱ |
Table2
Symbol | Description |
H101-2 | Turn lamps left |
H101-3 | Turn lamps right |
H107-1 | Turn lamps before the right |
H108-1 | Turn lamps after the right |
H109-1 | Turn lamps before the left |
H119-1 | Turn lamps after the left |
R14 | High beam relay |
R15 | Low beam relay |
H107-3 | Headlamps left |
H108-3 | Headlamps right |
H119-2 | Width light |
H120-2 | Width light |
H107-2 | Width light |
H108-2 | Width light |
B103 | Horn |
B104 | Horn |
S155 | Horn switch |
H119-4 | Reverse light |
H120-4 | Reverse light |
B107 | Reversing alarm |
S141 | Light combination switch |
Y117 | Centralized lubrication |
R1 | Flasher |
H101-4 | High beam indicator |
R02 | Horn relay |
Figure3Electric schematic Ⅲ |
Table3
Symbol | Description |
C101 | 88Pin Control Unit |
H121 | Front work lights |
H122 | Front work lights |
H137 | Front work lights2 |
H138 | Front work lights 2 |
H123 | Rear work lights |
H124 | Rear work lights |
H139 | Rear work lights 2(Reserved) |
H140 | Rear work lights 2(Reserved) |
H125 | Hood lights |
H126 | Hood lights |
H141 | Hazard beacon lamp |
H101-5 | Emergency steering indication |
Y104 | Fan proportional solenoid |
Y105 | Fan change-over solenoid |
Y106 | Ride control valve |
Y106-1 | Ride control valve-enable |
H101-8 | Ciutch cut off indication |
S158 | Emergency steering switch |
S171 | Keypad switch |
Figure4 Electric schematic Ⅳ |
Table4
Symbol | Description |
H129-1 | Dome light |
H129-2 | Dome light |
Y120 | Electric Fan(reserved) |
Y113 | Front window wiper |
Y114 | Rear window wiper |
R56 | Front wiper high-speed relay |
R57 | Front wiper low-speed relay |
R58 | Rear wiper high-speed relay |
R59 | Rear wiper low-speed relay |
Y111 | Front sprinkling can |
Y112 | Rear sprinkling can |
S117 | Washer switch |
H119-3 | Stop light |
H120-3 | Stop light |
SEN117 | Stop light pressure switch |
S153 | Parking switch |
Y101 | Parking valve |
H101-12 | Low brake pressure indication |
R113 | Emergency turn relay(with pump) |
Figure5Electric schematic Ⅴ |
Table5
Symbol | Description |
X2 | ZF Transmission TCU |
X3 | TCU diagnosis |
R03 | Reverse relay |
R04 | Neutral gear protection relay |
S172 | Air filter blocked switch |
H101-14 | Indicator light for air filter blockage |
S135 | Hydraulic oil filter switch |
H101-15 | Indicator light for hydraulic oil filter blockage |
H101-16 | Fuel level gauge |
SEN101 | Fuel level sensor |
H101-17 | Coolant temperature gauge |
H101-18 | Tachometer |
H101-19 | Engine oil pressure gauge |
H101-20 | Voltmeter |
H101-21 | T/M oil temperature gauge |
H101 | indication display control unit |
Figure6Electric schematic Ⅵ |
Table6
Symbol | Description |
SEN115 | accel pedal |
R48 | DEF pump motor supply relay |
SEN116 | GPS(optional) |
C103 | Engine controller 50-core connector |
R05 | After treatment power relay |
R49 | DEF line heater relay |
R18 | Starter lockout relay |
H101-22 | Urea level warning indicator |
H101-23 | High exhaust temperature indicator |
H101-24 | Regeneration indicator |
H101-25 | No regeneration indicator |
S164 | E-stop switch |
S165 | E-stop switch |
Figure7Electric schematic Ⅶ |
Table7
Symbol | Description |
M3 | bonnet raise or lower valve |
R50 | bonnet raise relay |
R51 | bonnet lower relay |
S126 | Quick change rocker switch |
Y121-1 | pin out solenoid |
Y121-2 | pin retration solenoid |
Figure8 Electric schematic Ⅷ |
Table8
Symbol | Description |
C104 | Working device controller |
Y108-1 | Bucket crowd out solenoid |
Y108-2 | Bucket crowd in solenoid |
Y109-1 | Boom raise solenoid |
Y109-2 | Boom lower solenoid |
Y110-1 | Forks open solenoid |
Y110-2 | Forks closed solenoid |
SEN107 | Arm angle sensor |
SEN106 | Bucket angle sensor |
Y103 | Hydraulic lockout solenoid |
S149 | Forks handle |
S159 | Rearview mirror heating switch |
S167 | Hydraulic lockout switch |
S114 | Parallel lift switch |
S113 | Micro switch |
Figure9 Electric schematic Ⅸ |
Table9
Symbol | Description |
B109-1 | Left radio horn |
B109-2 | Right radio horn |
B109 | Radio |




